Kẻ sống sót bí ẩn từ thời đại khủng long
Trải qua hàng trăm triệu năm, bộ gene của sinh vật này cho thấy có lẽ nó vẫn không thay đổi gì kể từ kỷ Jura.

Desulforudis không có ký sinh trùng, không có kẻ săn mồi, và cũng không có con mồi.
Rất nhiều điều đã xảy ra trong vòng 165 triệu năm qua. Khủng long sinh sống trên Trái Đất và rồi tuyệt chủng. Tổ tiên của cá voi từ bỏ mặt đất và quay về với biển cả. Tổ tiên của loài người từ bỏ rừng cây và đặt chân xuống đồng bằng.
Và trong suốt khoảng thời gian đó, một loài vi khuẩn cư trú sâu trong lòng đất và ăn các chất hóa học chiết xuất từ đá vẫn tiếp tục tồn tại mà hầu như chẳng suy suyển gì. Thuật ngữ “hóa thạch sống” thường được dùng một cách tùy tiện để mô tả những sinh vật hiện đại trông giống như những sinh vật cổ xưa từ quá khứ. Tuy vậy, trong trường hợp này, nó thực sự có vẻ là một mô tả thích hợp. Desulforudis audaxviator không chỉ được tìm thấy trong đá mà dường như còn được lưu giữ nguyên trạng kể từ kỷ Jura.
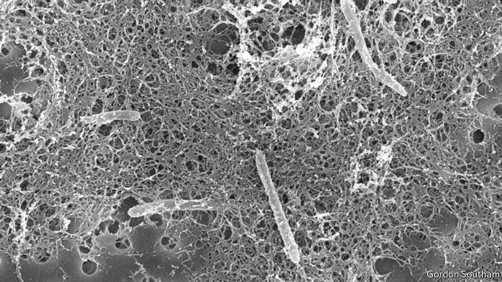
Desulforudis được phát hiện vào năm 2008, trong mẫu nước được thu thập ở độ sâu 2.8 km dưới lòng đất tại mỏ vàng Mponeng ở Nam Phi, nơi sâu nhất thế giới. Nói đúng hơn là dấu vết di truyền của nó, do bản thân con vi khuẩn kháng cự việc nuôi cấy trong phòng thí nghiệm. Loài sinh vật này lấy năng lượng bằng cách cho phản ứng ion sunfat với các phân tử hydro, và bới tìm trong những khối đá các nguyên tử cacbon và nitơ mà nó cần để ráp lại thành các phân tử hữu cơ được dùng để tạo nên chính nó. Từ điểm nhìn của các sinh vật sống trên mặt đất và lấy năng lượng từ mặt trời thông qua quang hợp ở thực vật, đây có vẻ là một cách sống khá chuyên biệt. Nhưng trước khi lịch sử tiến hóa ghi nhận sự xuất hiện của quang hợp, trao đổi chất kiểu vậy mới là bình thường.
Điều bất thường là ngụ ý của một phát hiện được đăng trên Tạp chí Isme bởi Ramunas Stepanauskas và đồng nghiệp tại Phòng thí nghiệm Bigelow về Khoa học Đại dương ở Maine. Nhóm nghiên cứu này chỉ ra rằng các mẫu Desulforudis được thu thập từ Siberia và California kể từ khi phát hiện ra loài vi khuẩn trên gần như giống hệt mẫu từ Nam Phi về mặt di truyền.
Ở hầu hết các loài, đột biến xảy ra thường xuyên. Những biến đổi di truyền ngẫu nhiên như vậy thường có hại, và bị đào thải bởi chọn lọc tự nhiên. Nhưng những đột biến có lợi hoặc trung tính thì có thể được bảo toàn và tích lũy theo thời gian. Nếu một quần thể bị chia tách thành nhiều bộ phận không thể giao phối với nhau, cấu trúc di truyền của nó sẽ dần dần phân nhánh. Mức độ phân nhánh là manh mối để ta ước lượng được sự chia tách này đã xảy ra bao lâu.
Thoạt nhìn, sự tương đồng giữa ba quần thể Desulforudis tách biệt rộng rãi này gợi ý rằng tổ tiên chung của chúng cách đây một quãng thời gian khá ngắn, và hậu duệ của nó phân tán khắp nơi trên địa cầu. Bằng cách nào điều này xảy ra còn là một ẩn số. Desulforudis phát triển và sinh sản chậm, do vậy nếu nó chỉ đơn giản phân tán qua môi trường đất đá dưới lòng đất, chắc hẳn nó đã đột biến rất nhiều lần qua các thời kỳ. Về lý thuyết, có thể nó đã thất thoát ra không trung hoặc biển cả và rải rác khắp mọi nơi. Tuy nhiên, cả oxy và muối đều độc hại đối với loài này, bởi vậy viễn cảnh trên khó xảy ra trong thực tế. Hơn nữa, khi Tiến sĩ Stepanauskas và cộng sự tìm kiếm trên một cơ sở dữ liệu di truyền khổng lồ từ vi sinh vật sống trên bề mặt để cho chắc chắn, họ không tìm thấy dấu vết DNA nào của Desulforudis.
Do đó, có vẻ như Desulforudis thực sự đã di cư khắp thế giới thông qua những khối đá mà nó cư ngụ. Và ta có thể chắc chắn rằng điều này đã xảy ra từ lâu bởi sự thật rằng ba quần thể được đề cập sinh sống tại ba châu lục riêng biệt, với những loại đá lục địa gần như khác biệt hoàn toàn.
Lữ khách từ vùng đất cổ xưa
Lần gần đây nhất châu Phi, lục địa Á- Âu và Bắc Mỹ được kết nối chặt chẽ là khi chúng là một phần của siêu lục địa duy nhất Pangaea. Khối đất này hình thành cách đây khoảng 270 triệu năm, duy trì trong một thời gian, và dần dần vỡ ra thành các mảnh trong khoảng từ 165 đến 55 triệu năm trước. Chính chuỗi sự kiện này đã khiến Tiến sĩ Stepanauskas và cộng sự đi đến kết luận rằng Desulforudis về cơ bản đã không thay đổi trong một thời gian dài.
Tiến sĩ Stepanauskas cho rằng Desulforudis dường như đã phát triển các cơ chế sao chép DNA với độ chính xác đáng kinh ngạc và có khả năng sửa chữa bất kỳ lỗi nào xảy ra. Lý do tại sao những cơ chế như vậy lại giúp ích cho loài vi khuẩn này, trong khi các loài khác có khả năng chịu lỗi tốt hơn, thì vẫn chưa rõ ràng. Một lý giải là môi trường của nó ổn định đến mức “khóa lại” một hình trạng di truyền tối ưu là một chiến lược hữu hiệu về mặt tiến hóa. Sự ổn định này có thể là hệ quả của việc nó sống trong thứ mà người phát hiện ra nó đầu tiên, Tiến sĩ Dylan Chivian, thành viên Phòng thí nghiệm Quốc gia Lawrence Berkeley tại California, gọi là “hệ sinh thái đơn loài”. Desulforudis không có ký sinh trùng, không có kẻ săn mồi, và cũng không có con mồi.
Từ điểm nhìn của con người, một cơ chế sao chép DNA đáng tin cậy có thể được ứng dụng vào sinh học – và thực tế là các nhà nghiên cứu đã nộp đơn xin cấp bằng sáng chế cho một trong những enzyme của loài vi khuẩn này. Tuy vậy, kể cả khi điều đó không hữu ích, bản thân Desulforudis đã là một sinh vật kỳ thú. Khám phá này khiến nó trở nên kỳ thú hơn bao giờ hết.
Anh Thư dịch
(Visited 84 times, 1 visits today)
